GY-HPB PIPE TAPS BSP & BSPT
As per IS:6175 Part 7-8 & ISO 2284
This High-Precision BSP/BSPT Tap Series is engineered for professional-grade threading in industrial piping and fitting applications.

Form of Pipe Taps
Standard Sets all share the same full thread diameter but vary in the length of the chamfer (the tapered lead at the tip). These are ideal for general-purpose applications.- No. 1 – Form A (Taper): Longest chamfer (6-8 threads). Used to start the threading process, ensuring easy alignment and a gradual cut.
- No. 2 – Form D (Second/Plug): Medium chamfer (4-5 threads). The most commonly used tap for through-holes or starting blind holes.
- No. 3 – Form C (Bottoming): Shortest chamfer (2-3 threads). Essential for threading to the very bottom of blind holes where space is limited.
Key Features
- Standard Compliance: Produced as per IS: 6175 Part 27-8 and ISO 2284 specifications for global compatibility.
- Class of Tolerance:Produced as per 6H. When the screwing tap is desired for class of tolerance other than 6H, class of tolerance 4H or 7H or 7H cut threads as appropriate, shall be mentioned in the designation immediately after the size.
- Material: Premium Grade High-Speed Steel (HSS) for superior heat resistance and edge retention.
- Flute Design: Precision-ground straight flutes provide ample space for chip evacuation and lubricant flow.
- Industrial Strength: Built for heavy-duty use in plumbing, hydraulic systems, and automotive manufacturing.
Note: For optimal tool life and thread quality, always use appropriate cutting oil and ensure the pre-drilled hole size matches the recommended tap drill chart.
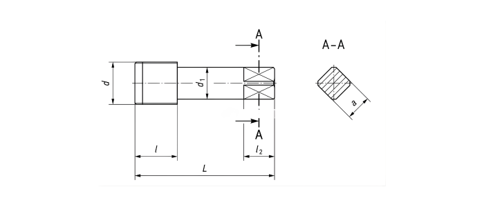
| TECHNICAL SPECIFICATION FOR BSP | |||||||||
|---|---|---|---|---|---|---|---|---|---|
| Thread designation | No. of threads per inch | d nom. (mm) | Pitch (mm) | d1 h9 (mm) | l +2 -1 (mm) | L(mm) | Square a h11 (mm) | Square l2 (mm) | |
| 1/16 | 28 | 7.723 | 0.907 | 5.6 | 14 | 52 | 4.5 | 7 | |
| 1/8 | 28 | 9.728 | 0.907 | 8 | 15 | 59 | 6.3 | 9 | |
| 1/4 | 19 | 13.157 | 1.337 | 10 | 19 | 67 | 8 | 11 | |
| 3/8 | 19 | 16.662 | 1.337 | 12.5 | 21 | 75 | 10 | 13 | |
| 1/2 | 14 | 20.955 | 1.814 | 16 | 26 | 87 | 12.5 | 16 | |
| 5/8 | 14 | 22.911 | 1.814 | 18 | 26 | 91 | 14 | 18 | |
| 3/4 | 14 | 26.441 | 1.814 | 20 | 28 | 96 | 16 | 20 | |
| 7/8 | 14 | 30.201 | 1.814 | 22.4 | 29 | 102 | 18 | 22 | |
| 1 | 11 | 33.249 | 2.309 | 25 | 33 | 109 | 20 | 24 | |
| 1-1/4 | 11 | 41.910 | 2.309 | 31.5 | 36 | 119 | 25 | 28 | |
| 1-1/2 | 11 | 47.803 | 2.309 | 35.5 | 37 | 125 | 28 | 31 | |
| 1 3/4 | 11 | 53.746 | 2.309 | 35.5 | 39 | 132 | 28 | 31 | |
| 2 | 11 | 59.614 | 2.309 | 40 | 41 | 140 | 31.5 | 34 | |
| 2-1/4 | 11 | 65.710 | 2.309 | 40 | 42 | 142 | 31.5 | 34 | |
| 2 1/2 | 11 | 75.184 | 2.309 | 45 | 45 | 153 | 35.5 | 38 | |
| 3 | 11 | 87.884 | 2.309 | 50 | 48 | 164 | 40 | 42 | |
| 3 1/2 | 11 | 100.330 | 2.309 | 63 | 50 | 173 | 50 | 51 | |
| 4 | 11 | 113.030 | 2.309 | 71 | 53 | 185 | 56 | 56 | |
| TECHNICAL SPECIFICATION FOR BSPT | |||||||||
|---|---|---|---|---|---|---|---|---|---|
| Thread designation | No. of threads per inch | d nom. (mm) | Pitch (mm) | d1 h9 (mm) | l +2 -1 (mm) | L(mm) | l1 max. (mm) | Square a h11 (mm) | Square l2 (mm) |
| 1/16 | 28 | 7.723 | 0.907 | 5.6 | 14 | 52 | 10.1 | 4.5 | 7 |
| 1/8 | 28 | 9.728 | 0.907 | 8 | 15 | 59 | 10.1 | 6.3 | 9 |
| 1/4 | 19 | 13.157 | 1.337 | 10 | 19 | 67 | 15 | 8 | 11 |
| 3/8 | 19 | 16.662 | 1.337 | 12.5 | 21 | 75 | 15.4 | 10 | 13 |
| 1/2 | 14 | 20.955 | 1.814 | 16 | 26 | 87 | 20.5 | 12.5 | 16 |
| 3/4 | 14 | 26.441 | 1.814 | 20 | 28 | 96 | 21.8 | 16 | 20 |
| 1 | 11 | 33.249 | 2.309 | 25 | 33 | 109 | 26 | 20 | 24 |
| 1-1/4 | 11 | 41.910 | 2.309 | 31.5 | 36 | 119 | 28.3 | 25 | 28 |
| 1-1/2 | 11 | 47.803 | 2.309 | 35.5 | 37 | 125 | 28.3 | 28 | 31 |
| 2 | 11 | 59.614 | 2.309 | 40 | 41 | 140 | 32.7 | 31.5 | 34 |
| 2-1/2 | 11 | 75.184 | 2.309 | 45 | 45 | 153 | 37.1 | 35.5 | 38 |
| 3 | 11 | 87.884 | 2.309 | 50 | 48 | 164 | 40.2 | 40 | 42 |
| 3-1/2 | 11 | 100.330 | 2.309 | 63 | 50 | 173 | 41.9 | 50 | 51 |
| 4 | 11 | 113.030 | 2.309 | 71 | 53 | 185 | 46.2 | 56 | 56 |
Lorem ipsum dolor sit amet, consectetur adipiscing elit. Ut elit tellus, luctus nec ullamcorper mattis, pulvinar dapibus leo.



