GY HMT Machine Taps
UNC
ISO 529
The GY HMT Series features a versatile range of High-Speed Steel (HSS) and High-Performance Cobalt HSS (HSS-E) taps. These are designed to handle various materials and hole types, from general-purpose threading to specialized high-speed production.


Available Tap Varieties
- Straight Flute: Standard design for general applications. (Form A,C and D)
- Spiral Point: Ideal for through-holes, pushing chips forward. (Form B)
- Spiral Flute 35°: Designed for blind holes to pull chips upward. (Form C/35° Right Spiral Point)
Tap Application Matrix
| Tap Variety | STRAIGHT FLUTE (Form A,C and D) | SPIRAL POINT (Form B) | SPIRAL FLUTE 35°(Form C) |
|---|---|---|---|
| Standard Tap – HSS | ✓ | ✓ | ✓ |
| High Performance Tap – HSS-E | ✓ | ✓ | ✓ |
| Type of Hole: Through Hole | ✓ | ✓ | |
| Type of Hole: Blind Hole | ✓ | ✓ |
Key Features
- Standard Compliance: Produced as per ISO: 529 or BS 949 and International specifications for global compatibility.
- Class of Tolerance:Produced as per 6H. When the screwing tap is desired for class of tolerance other than 6H, class of tolerance 4H or 7H or 7H cut threads as appropriate, shall be mentioned in the designation immediately after the size.
- Material: Premium Grade High-Speed Steel (HSS) and High-Performance Cobalt HSS (HSS-E) taps. for superior heat resistance and edge retention.
- Flute Design: Precision-ground straight flutes provide ample space for chip evacuation and lubricant flow.
- Application: Suitable for alloy steel, carbon steel, cast iron, and non-ferrous materials.
Note: For optimal tool life and thread quality, always use appropriate cutting oil and ensure the pre-drilled hole size matches the recommended tap drill chart.


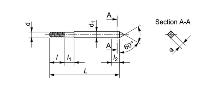
| technical specification FOR COARSE pitch | |||||||||
|---|---|---|---|---|---|---|---|---|---|
| Designation | d nominal | Approximate pitch | d1 h9 | l | L | l1 | Square a h11 | Square l2 | |
| No. 1 – 64-UNC | 1,854 | 397 | 2,50 | 8,0 | 41,0 | 5,5 | 2,00 | 4 | |
| No. 2 – 56-UNC | 2,184 | 454 | 2,80 | 9,5 | 44,5 | 6,0 | 2,24 | 5 | |
| No. 3 – 48-UNC | 2,515 | 529 | 2,80 | 9,5 | 44,5 | 6,0 | 2,24 | 5 | |


| technical specification FOR fine pitch | |||||||||
|---|---|---|---|---|---|---|---|---|---|
| Designation | d nominal | Approximate pitch | d1 h9 | l | L | d2 min. | l1 | Square a h11 | Square l2 |
| No. 4 – 40-UNC | 2,845 | 635 | 3,15 | 11,0 | 48,0 | 2,12 | 7,0 | 2,50 | 5 |
| No. 5 – 40-UNC | 3,175 | 635 | 3,15 | 11,0 | 48,0 | 2,36 | 7,0 | 2,50 | 5 |
| No. 6 – 32-UNC | 3,505 | 794 | 3,55 | 13,0 | 50,0 | 2,50 | 8,0 | 2,80 | 6 |
| No. 8 – 32-UNC | 4,166 | 794 | 4,50 | 13,0 | 53,0 | 3,15 | 8,0 | 3,55 | 6 |
| No. 10 – 24-UNC | 4,826 | 1,058 | 5,00 | 16,0 | 58,0 | 3,55 | 9,0 | 4,00 | 7 |
| No. 12 – 24-UNC | 5,486 | 1,058 | 5,60 | 17,0 | 62,0 | 4,25 | 9,0 | 4,50 | 7 |
| 1/4 – 20-UNC | 6,350 | 1,270 | 6,30 | 19,0 | 66,0 | 4,50 | 11,0 | 5,00 | 8 |
| 5/16 – 18-UNC | 7,938 | 1,411 | 8,00 | 22,0 | 72,0 | 6,00 | 13,0 | 6,30 | 9 |
| 3/8 – 16-UNC | 9,525 | 1,588 | 10,00 | 24,0 | 80,0 | 7,50 | 15,0 | 8,00 | 11 |


| technical specification FOR fine pitch | |||||||||
|---|---|---|---|---|---|---|---|---|---|
| Designation | d nominal | Approximate pitch | d1 h9 | l | L | Square a h11 | Square l2 | ||
| No. 5 – 40-UNC | 3,175 | 635 | 2,24 | 11 | 48 | 1,80 | 4 | ||
| No. 6 – 32-UNC | 3,505 | 794 | 2,50 | 13 | 50 | 2,00 | 4 | ||
| No. 8 – 32-UNC | 4,166 | 794 | 3,15 | 13 | 53 | 2,50 | 5 | ||
| No. 10 – 24-UNC | 4,826 | 1,058 | 3,55 | 16 | 58 | 2,80 | 5 | ||
| No. 12 – 24-UNC | 5,486 | 1,058 | 4,00 | 17 | 62 | 3,15 | 6 | ||
| 1/4 – 20-UNC | 6,350 | 1,270 | 4,50 | 19 | 66 | 3,55 | 6 | ||
| 5/16 – 18-UNC | 7,938 | 1,411 | 6,30 | 22 | 72 | 5,00 | 8 | ||
| 3/8 – 16-UNC | 9,525 | 1,588 | 7,10 | 24 | 80 | 5,60 | 8 | ||
| 7/16 – 14-UNC | 11,112 | 1,814 | 8,0 | 25,0 | 85,0 | 6,3 | 9 | ||
| 1/2 – 13-UNC | 12,700 | 1,584 | 9,0 | 29,0 | 89,0 | 7,1 | 10 | ||
| 9/16 – 12-UNC | 14,288 | 2,117 | 11,2 | 30,0 | 95,0 | 9,0 | 12 | ||
| 5/8 – 11-UNC | 15,875 | 2,309 | 12,5 | 32,0 | 102,0 | 10,0 | 13 | ||
| 3/4 – 10-UNC | 19,050 | 2,540 | 14,0 | 37,0 | 112,0 | 11,2 | 14 | ||
| 7/8 – 9-UNC | 22,225 | 2,822 | 16,0 | 38,0 | 118,0 | 12,5 | 16 | ||
| 1 – 8-UNC | 25,400 | 3,175 | 18,0 | 45,0 | 130,0 | 14,0 | 18 | ||
| 1 1/8 – 7-UNC | 28,575 | 3,629 | 20,0 | 48,0 | 138,0 | 16,0 | 20 | ||
| 1 1/4 – 7-UNC | 31,750 | 3,629 | 22,4 | 51,0 | 151,0 | 18,0 | 22 | ||
| 1 3/8 – 6-UNC | 34,925 | 4,233 | 25,0 | 57,0 | 162,0 | 20,0 | 24 | ||
| 1 1/2 – 6-UNC | 38,100 | 4,233 | 28,0 | 60,0 | 170,0 | 22,4 | 26 | ||
| 1 3/4 – 5-UNC | 44,450 | 5,080 | 31,5 | 67,0 | 187,0 | 25,0 | 28 | ||
| 2 – 4 1/2-UNC | 50,800 | 5,644 | 35,5 | 70,0 | 200,0 | 28,0 | 31 | ||
| 2 1/4 – 4 1/2-UNC | 57,150 | 5,644 | 40,0 | 76,0 | 221,0 | 31,5 | 34 | ||
| 2 1/2 – 4-UNC | 63,500 | 6,350 | 40,0 | 79,0 | 224,0 | 31,5 | 34 | ||
| 2 3/4 – 4-UNC | 69,850 | 6,350 | 45,0 | 79,0 | 234,0 | 35,5 | 38 | ||
| 3 – 4-UNC | 76,200 | 6,350 | 50,0 | 83,0 | 258,0 | 40,0 | 42 | ||
| 3 1/4 – 4-UNC | 82,550 | 6,350 | 50,0 | 86,0 | 261,0 | 40,0 | 42 | ||
| 3 1/2 – 4-UNC | 88,900 | 6,350 | 50,0 | 86,0 | 261,0 | 40,0 | 42 | ||
| 3 3/4 – 4-UNC | 95,250 | 6,350 | 56,0 | 89,0 | 279,0 | 45,0 | 46 | ||
| 4 – 4-UNC | 1,01,600 | 6,350 | 56,0 | 89,0 | 279,0 | 45,0 | 46 | ||


